


|
型号 |
SWL2.5 |
SWL5 |
SWL 10/15 |
SWL20 |
SWL25 |
SWL35 |
SWL50 |
SWL100 |
SWL120 |
|
丝杆升降机最大起升力,KN |
25 |
50 |
100/150 |
200 |
250 |
350 |
500 |
1000 |
1200 |
|
丝杆升降机最大拉力,KN |
25 |
50 |
99 |
166 |
250 |
350 |
500 |
1000 |
1200 |
|
丝杆升降机丝杠螺纹尺寸 |
Tr30×6 |
Tr40×7 |
Tr58×12 |
Tr65×12 |
Tr90×16 |
Tr100×18 |
Tr120×20 |
Tr160×23 |
Tr180×25 |
|
蜗轮蜗杆传动比(P) |
普通6:1 |
6:1 |
72/3:1 |
8:1 |
102/3:1 |
102/3:1 |
11:1 |
12:1 |
12:1 |
|
蜗杆每转行程,mm |
1.0 |
1.17 |
1.56 |
1.5 |
1.5 |
1.5 |
1.818 |
1.916 |
2.083 |
|
蜗轮蜗杆传动比(M) |
24:1 |
24:1 |
24:1 |
24:1 |
32:1 |
32:1 |
32:1 |
36:1 |
36:1 |
|
蜗杆每转行程,mm |
0.250 |
0.292 |
0.5 |
0.5 |
0.5 |
0.5 |
0.625 |
0.638 |
0.694 |
|
蜗杆传动比(P) |
6:1 |
6:1 |
72/3:1 |
8:1 |
102/3:1 |
102/3:1 |
11:1 |
12:1 |
12:1 |
|
丝杆升降机满负荷蜗杆扭距N•m |
18.6 |
39.5 |
119/179 |
240 |
366 |
600 |
970 |
2323 |
3316 |
|
蜗轮蜗杆传动比(M) |
24:1 |
24:1 |
24:1 |
24:1 |
32:1 |
32:1 |
32:1 |
36:1 |
36:1 |
|
满负荷蜗杆扭距N•m |
8.86 |
19.8 |
60/90 |
122 |
217 |
340 |
425 |
997 |
1658 |
|
丝杆升降机丝杆最大轴伸长度 |
1500 |
2000 |
2500 |
3000 |
3500 |
4000 |
5500 |
6500 |
7000 |
|
丝杆升降机最大许用功率/kW |
0.55 |
1.1 |
2.6 |
3.7 |
4.8 |
6.0 |
7.5 |
15 |
17.5 |
|
普通比(P)总效率% |
23 |
21 |
23 |
21 |
19 |
18 |
15 |
13 |
12 |
|
慢速比(M)总效率% |
14 |
12 |
15 |
13 |
11 |
11 |
11 |
10 |
8 |
|
润滑油量,kg |
0.1 |
0.25 |
0.5 |
0.75 |
1.1 |
1.9 |
2 |
2.5 |
2.5 |
|
不加行程的重量,kg |
7.3 |
16.2 |
25 |
36 |
70.5 |
87 |
420 |
1010 |
1350 |
|
丝杆每100mm的 重量 |
0.45 |
0.82 |
1.67 |
2.15 |
4.15 |
5.20 |
7.45 |
13.6 |
17.3 |
|
丝杆升降机润滑剂 |
合成钙钠基润滑脂ZGN-1或ZGN-2(温度范围-20℃-100℃) | ||||||||

|
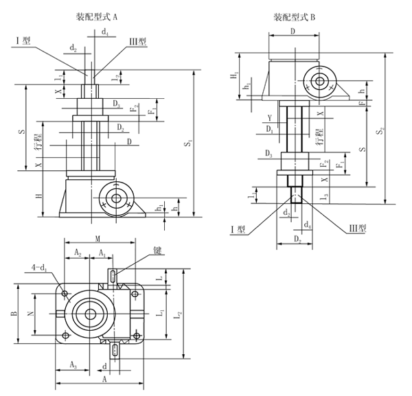
型号 |
SWL 2.5 |
SWL 5 |
SWL 10
SWL 15 |
SWL 20 |
SWL 25 |
SWL35 |
SWL50 |
SWL100 |
SWL120 | ||
|
S1 |
行程+20 |
行程+20 |
行程+20 |
行程+20 |
行程+20 |
行程+20 |
行程+20 |
行程+20 |
行程+20 | ||
|
S2 |
行程+110 |
行程+110 |
行程+150 |
行程+190 |
行程+205 |
行程+250 |
行程+285 |
行程+350 |
行程+400 | ||
|
S3 |
150.5 |
193 |
230 |
262 |
317 |
350 |
416 |
550 |
570 | ||
|
A |
165 |
212 |
235 |
295 |
350 |
430 |
475 |
526 |
526 | ||
|
B |
120 |
155 |
200 |
215 |
260 |
280 |
500 |
622 |
622 | ||
|
M |
135 |
168 |
190 |
240 |
280 |
360 |
385 |
412 |
412 | ||
|
N |
90 |
114 |
155 |
160 |
190 |
210 |
406 |
508 |
508 | ||
|
H |
97 |
130 |
150 |
176 |
217 |
240 |
280 |
360 |
360 | ||
|
h |
45 |
61.5 |
70 |
87 |
102 |
115 |
121 |
155 |
155 | ||
|
h1 |
12 |
18 |
16 |
20 |
25 |
30 |
32 |
38 |
42 | ||
|
d(k6) |
16 |
20 |
25 |
28 |
32 |
38 |
38 |
45 |
48 | ||
|
d1 |
14 |
17 |
21 |
28 |
35 |
35 |
45 |
48 |
48 | ||
|
键GB11096 |
5×5×32 |
6×6×45 |
8×7×45 |
8×7×45 |
10×8×50 |
10×8×70 |
10×8×90 |
14×9×100 |
14×9×100 | ||
|
L |
— |
— |
42 |
42 |
58 |
80 |
105 |
100 |
190 | ||
|
L1 |
110.5 |
132 |
172 |
213.5 |
221 |
265 |
310 |
380 |
380 | ||
|
L2 |
190 |
228 |
280 |
322 |
355 |
430 |
558 |
610 |
610 | ||
|
D |
48 |
65 |
80 |
100 |
130 |
150 |
170 |
240 |
240 | ||
|
D1 |
98 |
122 |
150 |
185 |
205 |
260 |
300 |
420 |
420 | ||
|
D2 |
70 |
90 |
100 |
120 |
150 |
180 |
220 |
310 |
310 | ||
|
D3 |
45 |
60 |
76 |
83 |
114 |
121 |
145 |
180 |
220 | ||
|
D4 |
98 |
110 |
130 |
170 |
200 |
210 |
260 |
370 |
370 | ||
|
D5 |
60 |
70 |
95 |
108 |
133 |
139 |
170 |
215 |
260 | ||
|
A1 |
45.2 |
56.2 |
66.8 |
72.5 |
97 |
120 |
135 |
190 |
190 | ||
|
A2 |
50 |
58 |
63.5 |
95 |
95 |
135 |
80 |
146 |
146 | ||
|
A3 |
65 |
80 |
86 |
122.5 |
130 |
170 |
125 |
203 |
203 | ||
|
b1 |
20 |
25 |
17 |
35 |
30 |
35 |
45 |
60 |
60 | ||
|
b2 |
20 |
18 |
18 |
31 |
40 |
40 |
50 |
65 |
65 | ||
|
F |
8.5 |
12 |
6.5 |
6 |
8 |
10 |
16 |
40 |
40 | ||
|
丝杠头部型式 |
Ⅰ |
d2 |
20 |
25 |
40 |
50 |
70 |
80 |
95 |
130 |
150 |
|
I1 |
30 |
40 |
50 |
60 |
63 |
80 |
90 |
120 |
140 | ||
|
I2 |
45 |
51 |
73.5 |
80 |
92 |
100 |
120 |
150 |
170 | ||
|
Ⅱ |
D7 |
98 |
122 |
150 |
185 |
205 |
260 |
300 |
370 |
400 | |
|
D8 |
75 |
85 |
105 |
140 |
155 |
200 |
225 |
280 |
310 | ||
|
D9 |
40 |
50 |
65 |
90 |
100 |
130 |
150 |
200 |
230 | ||
|
d3 |
14 |
17 |
21 |
26 |
27 |
33 |
39 |
48 |
48 | ||
|
F1 |
12 |
18 |
20 |
20 |
25 |
30 |
35 |
75 |
80 | ||
|
F2 |
30 |
40 |
50 |
60 |
63 |
80 |
90 |
120 |
140 | ||
|
F3 |
45 |
51 |
73.5 |
80 |
92 |
100 |
120 |
150 |
170 | ||
|
Ⅲ |
d4 |
M22×1.5-6g |
M30×2-6g |
M42×2-6g |
M48×2-6g |
M70×3-6g |
M80×3-6g |
M95×3-6g |
M130×4-6g |
M150×4-6g | |
|
I3 |
30 |
39 |
50 |
60 |
63 |
80 |
90 |
120 |
140 | ||
|
I4 |
45 |
51 |
73.5 |
80 |
92 |
100 |
120 |
150 |
170 | ||
|
Ⅳ |
d5 |
50 |
65 |
90 |
110 |
130 |
150 |
180 |
220 |
260 | |
|
d6 |
25 |
35 |
50 |
60 |
70 |
80 |
80 |
90 |
95 | ||
|
b3 |
30 |
42 |
60 |
75 |
90 |
105 |
120 |
160 |
180 | ||
|
I5 |
25 |
37.5 |
50 |
60 |
70 |
80 |
80 |
90 |
100 | ||
|
I6 |
50 |
75 |
100 |
120 |
140 |
160 |
160 |
180 |
200 | ||
|
I7 |
85 |
117 |
153.5 |
170 |
204 |
240 |
270 |
330 |
360 | ||
|
I8 |
70 |
105 |
130 |
150 |
175 |
220 |
240 |
300 |
335 | ||

|
型号 |
SWL2.5 |
SWL5 |
SWL10
SWL15 |
SWL 20 |
SWL 25 |
SWL 35 |
SWL50 |
SWL100 |
SWL120 | ||
|
S |
行程+85 |
行程+100 |
行程+125 |
行程+150 |
行程+170 |
行程+205 |
行程+250 |
行程+320 |
行程+330 | ||
|
S1 |
行程+215 |
行程+270 |
行程+335 |
行程+404 |
行程+476 |
行程+535 |
行程+603 |
行程+815 |
行程+845 | ||
|
S2 |
行程+238.5 |
行程+300 |
行程+359 |
行程+430 |
行程+513 |
行程+580 |
行程+685 |
行程+880 |
行程+910 | ||
|
A |
165 |
212 |
235 |
295 |
350 |
430 |
475 |
526 |
526 | ||
|
B |
120 |
155 |
200 |
215 |
260 |
280 |
500 |
622 |
622 | ||
|
M |
135 |
168 |
190 |
240 |
280 |
360 |
385 |
412 |
412 | ||
|
N |
90 |
114 |
155 |
160 |
190 |
210 |
406 |
508 |
508 | ||
|
H |
100 |
131 |
160 |
194 |
226 |
250 |
290 |
375 |
375 | ||
|
H1 |
97 |
131 |
150 |
181 |
211 |
250 |
280 |
360 |
360 | ||
|
h |
45 |
61.5 |
70 |
87 |
102 |
115 |
121 |
155 |
155 | ||
|
h1 |
12 |
14 |
16 |
20 |
25 |
30 |
32 |
38 |
42 | ||
|
d(k6) |
16 |
20 |
25 |
28 |
32 |
38 |
38 |
45 |
48 | ||
|
d1 |
14 |
17 |
21 |
28 |
35 |
35 |
45 |
48 |
48 | ||
|
键GB1096 |
5×5×32 |
6×6×32 |
8×7×45 |
8×7×45 |
10×8×50 |
10×8×70 |
10×8×90 |
14×9×100 |
14×9×100 | ||
|
L |
— |
— |
42 |
42 |
58 |
80 |
105 |
100 |
100 | ||
|
L1 |
110.5 |
132 |
172 |
213.5 |
221 |
265 |
310 |
380 |
380 | ||
|
L2 |
190 |
228 |
280 |
322 |
355 |
430 |
558 |
610 |
610 | ||
|
D |
98 |
122 |
150 |
185 |
205 |
260 |
300 |
420 |
420 | ||
|
D1 |
68 |
83 |
110 |
140 |
160 |
180 |
200 |
260 |
260 | ||
|
A1 |
45.2 |
56.2 |
66.8 |
72.5 |
97 |
120 |
135 |
190 |
190 | ||
|
A2 |
50 |
58 |
63.5 |
95 |
95 |
135 |
80 |
146 |
146 | ||
|
A3 |
65 |
80 |
86 |
122.5 |
130 |
170 |
125 |
203 |
203 | ||
|
F |
26.5 |
30 |
34 |
39 |
52 |
45 |
65 |
80 |
80 | ||
|
安全裕度X |
20 |
20 |
25 |
25 |
25 |
30 |
40 |
50 |
50 | ||
|
Y |
3 |
3 |
1 |
3 |
3 |
4 |
5 |
6 |
6 | ||
|
活动螺母 |
D2 |
80 |
87 |
110 |
120 |
155 |
190 |
220 |
300 |
330 | |
|
D3(K6) |
50 |
70 |
90 |
90 |
130 |
150 |
180 |
240 |
260 | ||
|
F1 |
45 |
60 |
75 |
100 |
120 |
145 |
170 |
220 |
270 | ||
|
F2 |
15 |
18 |
25 |
30 |
35 |
35 |
50 |
70 |
80 | ||
|
丝杠头部型式 |
Ⅰ |
d2(k6) |
20 |
25 |
40 |
50 |
70 |
80 |
95 |
130 |
150 |
|
I1 |
30 |
40 |
50 |
60 |
80 |
80 |
90 |
120 |
140 | ||
|
Ⅱ |
d4 |
M22×1.5-6g |
M30×2-6g |
M42×2-6g |
M48×2-6g |
M70×3-6g |
M80×3-6g |
M95×3-6g |
M130×4-6g |
M150×4-6g | |
|
I3 |
|
39 |
50 |
60 |
63 |
80 |
90 |
120 |
140 | ||