
JRSS系列蜗轮丝杆升降机(又名千斤顶); 具有结构紧凑、体积小的特点; 安装方便、形式多; 可靠性高、寿命长; 具有起升、下降及借助辅件推进、翻转等多种功能; 可单台使用,也可多台组成使用; 动力源广泛,可用电动机或其它动力直接带动,也可以用手动; 通常用于低速重载的场合。广泛应用于冶金、机械、建筑、水利、医疗、化工等各个行业。

|
2 |
产品代码
RSS--蜗轮丝杆升降机 |
|
3 |
输入轴联接方式
D—带电机法兰
无代码—基本型 |
|
4 |
规格用蜗轮副
中心距表示100 |
|
5 |
传动比
12 |
|
6 |
安装方式代码
A、B-基本型
C、D-止旋构造型
E、F-活动螺母构造型
详见“安装方式” |
|
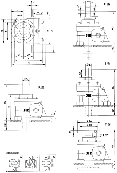
7 |
丝杆头部型式代码
R型(圆柱式)
H型(栓孔式)
S型(螺纹式)
T型(顶板式) |
|
8 |
丝杆行程300mm
共有100、200、300、400、500、600、800、1000mm8种规格,根据使用情况选择,如需要其它长度行程,也可定做 |
|
9 |
轴指向
JRSS系列共有A、B、C三种
JRSSD系列共有A、B、C、D四种
详见“轴指向表示” |
|
10 |
护管
P-带护管
无代-不带护管 |

|
号
规格 |
A
B
HS |
E
F
Z |
BC
G
H |
CC
K |
Tr |
L
M
N |
U
T×V |
丝杆头部型式 | ||||||
|
R型 |
H型 |
S型 |
T型 | |||||||||||
|
RA
RB
RC |
HA
HB
HC |
HD
HE |
SA |
SB
SC
SD |
TA
TB
TC |
n-TD
TE
TF | ||||||||
|
JRSS35 |
170
110
30 |
66
111
12 |
40
15
110 |
35
38 |
Tr26×5 |
50
90
135 |
15
5×3 |
26
165
55 |
16
20
12 |
165
55 |
M16×1.5 |
28
150
40 |
88
70
10 |
4-ф10
135
25 |
|
JRSS40 |
220
140
40 |
80
125
12 |
50
18
130 |
40
42 |
Tr32×6 |
57
110
155 |
18
6×3.5 |
32
195
65 |
20
25
14 |
195
65 |
M22×1.5 |
32
180
50 |
98
80
13 |
4-ф10
160
30 |
|
JRSS50 |
220
140
40 |
90
140
14 |
50
18
130 |
50
45 |
Tr38×6 |
60
120
170 |
18
6×3.5 |
38
195
65 |
25
25
16 |
195
65 |
M30×1.5 |
35
180
50 |
114
90
13 |
4-ф12
160
30 |
|
JRSS60 |
256
176
40 |
100
190
18 |
60
20
160 |
60
70 |
Tr46×8 |
90
140
230 |
25
8×4 |
46
225
65 |
32
32
20 |
255
95 |
M33×1.5 |
40
220
60 |
138
100
16 |
4-ф14
200
40 |
|
JRSS60B |
264
184
40 |
110
190
18 |
60
20
160 |
60
70 |
Tr52×8 |
90
150
230 |
25
8×4 |
52
225
65 |
36
32
24 |
255
95 |
M39×1.5 |
45
220
60 |
148
110
20 |
4-ф18
210
50 |
|
JRSS70 |
316
216
50 |
140
210
18 |
70
25
180 |
70
75 |
Tr65×10 |
95
180
250 |
28
8×4 |
65
250
70 |
44
35
26 |
295
115 |
M45×1.5 |
55
260
80 |
178
125
25 |
4-ф21
235
55 |
|
JRSS100 |
390
260
65 |
190
260
22 |
85
30
220 |
100
85 |
Tr75×12 |
110
230
310 |
32
10×5 |
75
295
75 |
56
44
35 |
355
135 |
M60×2 |
65
300
80 |
188
140
28 |
4-ф21
285
65 |
|
JRSS120 |
420
290
65 |
210
305
22 |
100
30
260 |
120
105 |
Tr80×12 |
130
260
355 |
35
10×5 |
80
355
95 |
60
54
38 |
410
150 |
M64×2 |
70
360
100 |
218
170
30 |
4-ф25
330
70 |
|
JRSS130 |
480
340
70 |
240
355
22 |
120
30
315 |
130
130 |
Tr90×14 |
160
300
415 |
45
14×5.5 |
90
430
115 |
70
64
45 |
480
165 |
M76×2 |
75
435
120 |
248
200
32 |
4-ф27
390
75 |
|
JRSS150 |
550
360
95 |
250
385
27 |
125
35
345 |
150
135 |
Tr100×16 |
170
320
455 |
50
14×5.5 |
100
485
140 |
80
70
55 |
545
200 |
M90×2 |
100
495
150 |
358
280
35 |
6-ф27
445
100 |
|
型号规格 |
法兰规格 |
AB |
AH |
LA |
LB |
LC |
LE |
LZ |
D |
Q |
T×V |
|
JRSSD40 |
71B5 |
110 |
72 |
130 |
110 |
160 |
4 |
M8 |
ф14 |
33 |
5×16.3 |
|
JRSSD50 |
71B5 |
110 |
80 |
130 |
110 |
160 |
4 |
M8 |
ф14 |
33 |
5×16.3 |
|
JRSSD60 |
80B5 |
128 |
100 |
165 |
130 |
200 |
4.5 |
M10 |
ф19 |
43 |
6×21.8 |
|
90B5 |
ф24 |
53 |
8×27.3 | ||||||||
|
JRSSD60B |
80B5 |
132 |
100 |
165 |
130 |
200 |
4.5 |
M10 |
ф19 |
43 |
6×21.8 |
|
90B5 |
ф24 |
53 |
8×27.3 | ||||||||
|
JRSSD70 |
90B5 |
158 |
120 |
165 |
130 |
200 |
4.5 |
M10 |
ф24 |
53 |
8×27.3 |
|
JRSSD100 |
100/112B5 |
195 |
150 |
215 |
180 |
250 |
5 |
M12 |
ф28 |
63 |
8×31.3 |
|
JRSSD120 |
100/112B5 |
210 |
165 |
215 |
180 |
250 |
5 |
M12 |
ф28 |
63 |
8×31.3 |
|
JRSSD130 |
132B5 |
240 |
194 |
265 |
230 |
300 |
5 |
M12 |
ф38 |
83 |
10×41.3 |
|
JRSSD150 |
132B5 |
275 |
218 |
265 |
230 |
300 |
5 |
M12 |
ф38 |
83 |
10×41.3 |